Publicado em Passatempo 25 ... Cotas 1

Passatempo 25 … Cotas 1

Não tem o que fazer?

https://forums.autodesk.com/t5/autocad-portugues/passatempo-25-cotas-1/m-p/9465456#M12328

Exercícios… Cotas – parte 1

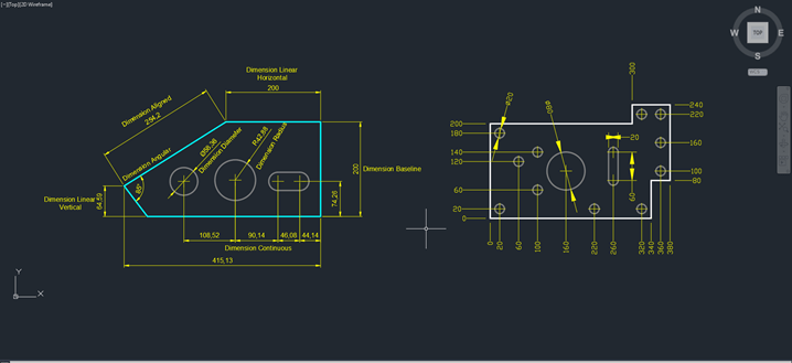
Cotas  no desenho é indicar as dimensões  reais do objeto, independente da escala em que este for obtido.

Ao indicar as medidas ou cotas, no desenho técnico, segue determinadas normas técnicas – ABNT/NBR 10126 .

O comando Dimension Style cria e modifica estilos de dimensão.

Acesso ao comando

Aba Annotate / painel Dimensions

Geralmente o estilo de dimensão define:

• formato e posição de linhas de cota, linhas de extensão, tipos de setas e marcas de centro;

• aparência e posição do texto na cota;

• formato e precisão das unidades da cota.

O AutoCAD apresenta várias ferramentas para inserir as cotas

Acesso aos comandos

Aba Annotate / painel Dimensions

Exercícios

Crie os estilos de cota , determinando os seguintes itens:

Seguem os exercícios:


Avatar de Desconhecido

Autor:

Instrutora, palestrante, escritora sobre Autocad.

Deixe um comentário

Este site utiliza o Akismet para reduzir spam. Saiba como seus dados em comentários são processados.