Não tem o que fazer?
https://forums.autodesk.com/t5/autocad-portugues/passatempo-23-vistas/m-p/9461877#M12310
Exercícios… vistas
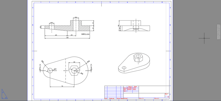
A figura mostra um exemplo.

Represente as vistas ortogonais das peças.
Seguem os exercícios.





Não tem o que fazer?
https://forums.autodesk.com/t5/autocad-portugues/passatempo-23-vistas/m-p/9461877#M12310
Exercícios… vistas
A figura mostra um exemplo.

Represente as vistas ortogonais das peças.
Seguem os exercícios.




