Publicado em Passatempo 9 ... Chamfer

Passatempo 9 … Chamfer

Não tem o que fazer?

https://forums.autodesk.com/t5/autocad-portugues/passatempo-9-chamfer/m-p/9410198#M12151

Exercícios…Chamfer

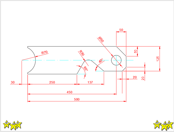
O comando Chamfer cria um chanfro entre dois objetos não paralelos, determinando valores para a distância ou para o ângulo.

Acesso ao comando

Aba Home / painel Modify

O site da Autodesk apresenta o comando

https://knowledge.autodesk.com/pt-br/support/autocad/learn-explore/caas/CloudHelp/cloudhelp/2019/PTB/AutoCAD-Core/files/GUID-B1DCF991-90A7-4DB0-96FC-BDA3FB76337C-htm.html

O Daniel Severino apresenta o comando na vídeo aula

https://www.youtube.com/watch?v=TGCkULZk4R4

Seguem os exercícios:

Avatar de Desconhecido

Autor:

Instrutora, palestrante, escritora sobre Autocad.

Deixe um comentário

Este site utiliza o Akismet para reduzir spam. Saiba como seus dados em comentários são processados.