Publicado em Passatempo 10 ... Polígonos

Passatempo 10 … Polígonos

Não tem o que fazer?

https://forums.autodesk.com/t5/autocad-portugues/passatempo-10-poligonos/m-p/9409554#M12145

Exercícios…Polígonos

O comando Polygon cria polígonos regulares (todos os lados iguais) de 3 a 1.024 lados

Acesso ao comando

Aba Home / painel Draw

O site da Autodesk apresenta o comando:  

https://knowledge.autodesk.com/pt-br/support/autocad/learn-explore/caas/CloudHelp/cloudhelp/2018/PTB/AutoCAD-Core/files/GUID-E5CD464D-C0DC-4464-BFDF-50C4ABEC8B91-htm.html

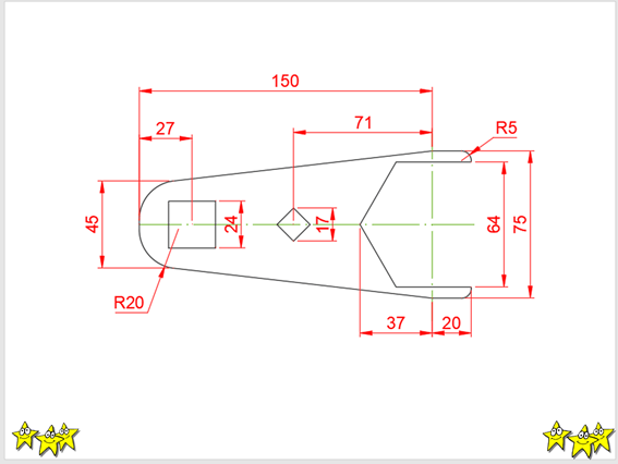
Seguem os exercícios:

Avatar de Desconhecido

Autor:

Instrutora, palestrante, escritora sobre Autocad.

Deixe um comentário

Este site utiliza o Akismet para reduzir spam. Saiba como seus dados em comentários são processados.