Publicado em Exercícios..., Passatempo 3… Linhas

Passatempo 3 …Linhas

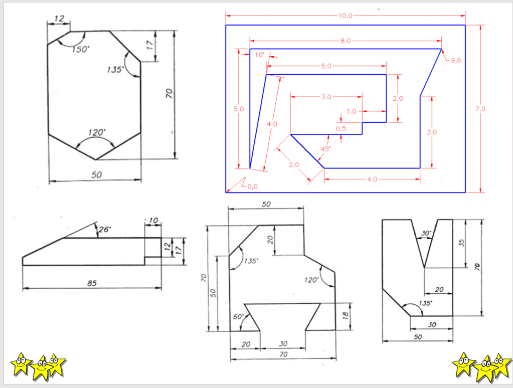
Não tem o que fazer?

https://forums.autodesk.com/t5/autocad-portugues/passatempo-3-linhas/m-p/9392388

Exercícios…linhas

Apenas para desenhar…


Avatar de Desconhecido

Autor:

Instrutora, palestrante, escritora sobre Autocad.

Deixe um comentário

Este site utiliza o Akismet para reduzir spam. Saiba como seus dados em comentários são processados.