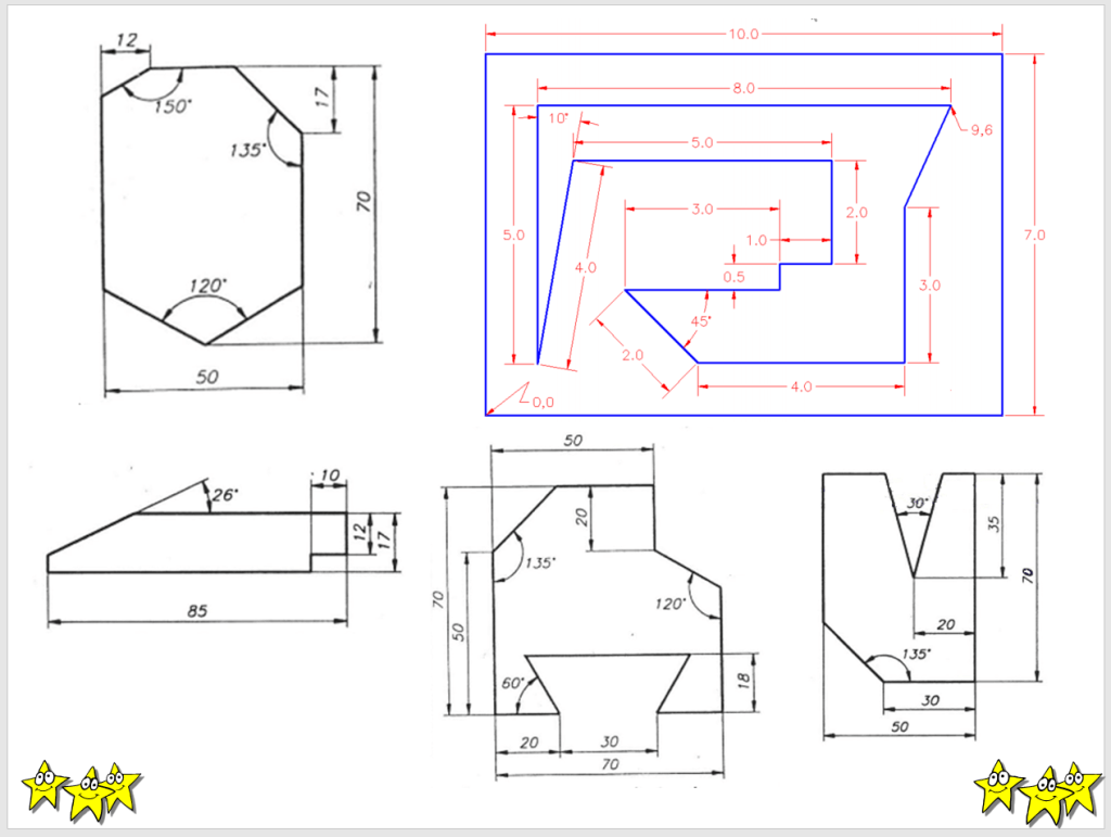
Não tem o que fazer?
https://forums.autodesk.com/t5/autocad-portugues/passatempo-2-angulos/td-p/9391118

Segue a dica…. Exercícios com ângulos
Lembrando que:
- O AutoCAD identifica o valor numérico como ângulo quando o sinal < precede o numero. Exemplo:
O AutoCAD identifica <45 como 45⁰
- por padrão, os ângulos aumentam no sentido anti-horário.

Apenas para desenhar…








