Publicado em Passatempo 19 ... Path array

Passatempo 19 … Path array

Não tem o que fazer?

https://forums.autodesk.com/t5/autocad-portugues/passatempo-19-path-array/m-p/9440502

Exercícios… Path array

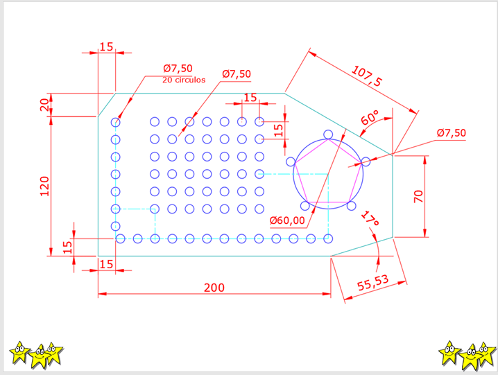
O comando Path Array cria cópias ao longo de um caminho.

O caminho pode ser linha, polyline, 3D polyline, spline, helix, arco, círculo ou elipse.

Acesso ao comando

Aba Home / painel Modify

O site da Autodesk apresenta o comando

https://knowledge.autodesk.com/pt-br/support/autocad/learn-explore/caas/CloudHelp/cloudhelp/2021/PTB/AutoCAD-Core/files/GUID-1A4FFAE3-254C-4294-9592-AB334C4AD9FA-htm.html

https://knowledge.autodesk.com/pt-br/support/autocad/learn-explore/caas/CloudHelp/cloudhelp/2021/PTB/AutoCAD-Core/files/GUID-07CB282A-2C71-46FE-937F-BC3DFB2C068B-htm.html

O Matias Ivan Wendt apresenta uma aula vídeo

https://knowledge.autodesk.com/pt-br/support/autocad/learn-explore/caas/screencast/Main/Details/289c4add-e407-4961-8270-d1d5c72e6590.html?st=array

Seguem os exercícios:

Avatar de Desconhecido

Autor:

Instrutora, palestrante, escritora sobre Autocad.

Deixe um comentário

Este site utiliza o Akismet para reduzir spam. Saiba como seus dados em comentários são processados.