Não tem o que fazer?
https://forums.autodesk.com/t5/autocad-portugues/passatempo-17-rectangular-array/m-p/9444510#M12279
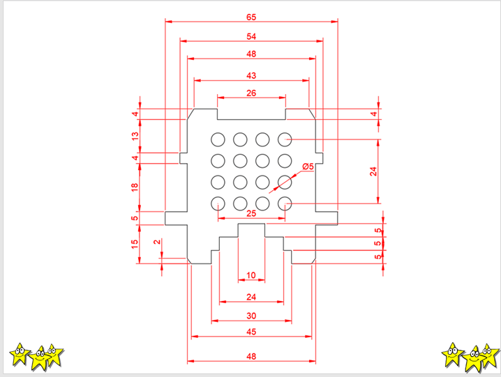
Exercícios… Rectangular array
O comando Rectangular Array cria cópias ordenadas de modo retangular.
Acesso ao comando
Aba Home / painel Modify

O site da Autodesk apresenta o comando:

O Matias Ivan Wendt apresenta uma aula vídeo

Seguem os exercícios:






